Lors du remplacement de mon réservoir fuyard , j'ai mis un coup de jeune a mon train arrière que j'avais déposé pour l'occasion.
merci au passage pour les conseils trouvés ici pour arriver à mes fins.
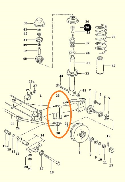
N'ayant pas trouvé d'infos pour le démontage et remontage des silents blocs extérieurs de la barre stab arrière , je me suis lancé avec l'aide d'un pote qui taquine un peu la mécanique
j'en ai profité pour faire quelques photos et faire une sorte de tuto.
pour info on était 2 pour certaines phase mais un être humain normalement constitué ,un brin agile et un poli costaud devrait pouvoir y arriver seul.
je précise aussi que le train arrière était totalement déposé du cab et retrait canalisations de frein .ceci facilite grandement l'opération je pense
le matos utilisé :
- un tournevis plat auquel tu ne tiens pas spécialement
- un marteau
- un burin plat (usé quoi)
- une tenaille
- du liquide vaisselle ( ou autre substance lubrifiante)
2 silents blocs référence vw 171 511 437 ( pièce 30 sur l'éclaté cidessous)
le principe est simple ,il faut extraire l'agrafe 29 pour libérer le collier 28.
voici le montage avant remplacement :
On commence par insérer le tournevis sous le rabat de l'agrafe afin d’amorcer son redressage :
faire légèrement levier afin de le dégager assez pour l'étape d'après
On peut ensuite l'attraper à l'aide de la tenaille pour le redresser proprement:
On peut désormais procéder à l'extraction de l'agrafe avec marteau et burin, en alternant d'un coté et de l'autre de l'ergot afin de progresser de manière uniforme de chaque coté du collier. Dans mon cas, c'était légèrement grippé, donc un coté du collier avançait avec l'agrafe : un retour arrière , un coup de dégrippant et maintenir le collier en même temps que l'on extrait l'agrafe (à 2 c'est mieux!) , une fois dégrippé ça sort bien
Une fois le collier retiré :
L'ancien silent bloc n'a opposé aucune résistance pour le retirer de la barre stab : il glissait autour
Par contre l'insertion du neuf demandera de la force , l’insérer en le tournant et poussant , et aidez vous de liquide vaisselle !
Il faut ensuite remonter collier + agrafe
On remet le collier en place autour du silent bloc et on le serre en le pinçant avec les doigts afin de pouvoir l’attraper a la tenaille :
C'est ici qu'il y a un avantage à être 2 , un qui tient la tenaille et un qui engage l'agrafe sur le collier. le collier est raide mais à 2 ca se fait bien
Une fois engagée, il suffit de faire progresser l'agrafe au marteau ; la forme en "V" de cette dernière permet un serrage uniforme et progressif.
maintenir le collier serré avec la tenaille facilite l'opération : essayez de la maintenir fermée tant qu'il y' a du gras sur l'emplacement de l'agrafe :
une fois en place, il faut rabattre l'ergot qui empêchera définitivement l'agrafe de sortir
et voila , c'est fini!
Je n'ai pas chronométré, mais je constate 20 min d'écart entre la première et dernière photo
partir sur 30 min par coté, avec le train arrière déposé hein !
voilà, si ça peut aider !




